
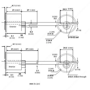
Double Cylinder for Deadbolt - 4400, Finish Brushed Antique Brass
new product
$96.16
FinishBrushed Antique Brass
Series4400
FunctionDouble Cylinder for Deadbolt
Our DivisionsLB Brass
Packaging formatSet
Series4400
FunctionDouble Cylinder for Deadbolt
Our DivisionsLB Brass
Packaging formatSet