
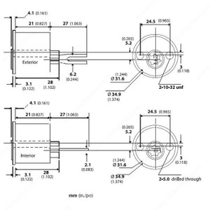
Double Cylinder for Deadbolt - 4400, Finish PVD Polished Nickel
new product
$97.30
FinishPVD Polished Nickel
Series4400
FunctionDouble Cylinder for Deadbolt
Our DivisionsLB Brass
Packaging formatSet
Series4400
FunctionDouble Cylinder for Deadbolt
Our DivisionsLB Brass
Packaging formatSet